水口府〔2023〕57号
重庆市铜梁区水口镇人民政府
关于印发《2023年农村户厕改造工作
实施方案》的通知
各村:
现将《2023年农村户厕改造工作实施方案》印发给你们,请认真贯彻落实。
重庆市铜梁区水口镇人民政府
2023年6月5日
(此件公开发布)
2023年农村户厕改造工作实施方案
为深入贯彻习近平总书记对深入推进厕所革命作出的重要指示批示,以坚持数量服从质量,进度服从实效为原则,按照铜农村人居环境整治办〔2023〕4号关于印发《重庆市铜梁区2023年农村户厕改造工作实施方案》的通知要求,稳妥有序推进我镇农村厕所革命工作,真正把这件好事办好、实事办实,特制定本方案。
一、工作目标
以2023年全镇农村户厕调查摸底实际情况为依据,在充分尊重群众意愿的基础上,有序推进我镇农村户厕改造(包括:新建和升级改造),逐步实现愿改则改、能改则改,有效提升卫生厕所普及率,改善群众如厕环境,树立文明新风尚。
二、工作任务
根据《铜梁区2023年农村户厕改造计划表》的安排,我镇2023年计划完成户厕改造60户。结合各村改厕需求,统筹安排各村2023年改厕计划,具体详见《水口镇2023年农村户厕改造计划表》(附件1)。
三、实施范围
本年度卫生户厕改造实施范围主要分为两类:
(一)新建。对有改厕意愿、具备改厕条件且未实施过农村户厕改造的农户,实施户厕新建。
(二)升级改造。对2019年前已实施过农村卫生户厕改造的,现确因损毁严重无法正常使用,且经群众自愿申报的实施户厕升级改造。
特别说明:原则上有以下几种情况的,不纳入今年改厕计划,一是2025年内有(因各种原因)迁出户口计划的;二是户口在本村但无房屋;三是多年无人居住(1年以上);四是户口在本村但已死亡未在派出所下户口。
四、建设标准及方式
(一)建设标准。村户厕改造严格按照《农村三格式户厕建设技术规范》(GB/T38836-2020)实施,具体标准可参照《铜梁区三格式户厕建设标准》(附件2)。在具体实施中,要充分尊重群众建议并结合实际。
(二)建设方式。为确保改厕质量关、群众满意关,切实做好农村厕所改造从数量增加向质量提升、从重建设向建管并重的转变,充分发挥好政府引导作用和农民主体作用。农村户厕改造可采取群众自行建设、专业队伍统一建设、农村“工匠”带头人承接小型工程项目等多种方式进行。引导村民建新填旧,新的化粪池使用后,把旧的粪坑填埋。
五、补助标准及方式
(一)补助标准
1.对未享受过国家补助的农户户厕,包括新建和升级改造的户厕,按照3000元/户的标准对村进行奖补。
2.对已享受过国家补助并纳入本次改造升级的农户户厕,按照3000元/户的标准,扣除首次改厕当年享受的国家补助金额后对村进行奖补。
(二)补助方式
户厕改造项目采取“先建后补、以奖代补”的方式,按照实际验收合格的改厕数量和实际补助标准拨付补助资金,由村上统筹使用。
六、工作步骤
(一)宣传发动(5月25日—6月10日)
召开2023年水口镇户厕改造培训会,明确改厕任务、质量要求等。积极发动群众自主参与改厕建设和监管,鼓励农户通过自备部分建筑材料、投工投劳或自筹资金等方式提高建设标准,打造更好的如厕环境,积极参与改厕。
(二)现场观摩学习(6月底前)
镇里将组织打造样板户厕,各村统一组织工匠、群众现场观摩学习,明确改厕标准、要求,确保改厕质量。
(三)组织实施(7月—10月15日)
各村要明确专人负责卫生改厕工作,同时加强建前技术培训,强化过程指导,留存相关过程资料,坚持只用一套标准、只量一根尺子,严把建设标准关。
(四)强化督导验收(10月16日—10月31日)
做实建设前、中、后的督导检查工作,形成工作记录,留存相关照片,并组织村民做好自检自查工作,开展落实逐户验收,严把质量关。
(五)统筹打表推进
各村每月23日前向镇农服中心报送《重庆市铜梁区农村卫生户厕改造个案台账》(附件3)的纸质件及电子档;实时更新市级改厕系统中的问题销号和改厕数据,做到整改一个、销号一个,完成一个、录入一个。
七、工作要求
(一)强化组织领导。各村党支部书记是改厕工作的第一责任人,要亲自挂帅、靠前指挥。各村要建立健全“一户一档”“一村一档”工作台账。
(二)逗硬验收工作。严格落实验收工作,将验收结果和群众满意度作为奖补资金的划拨依据,并将该项工作纳入2023年年总目标考核。自检和初验,10月15日前各村完成本年度改厕任务和验收工作。户厕改造完成后,各村要及时组织农户自验,并开展村级验收。验收合格后,由镇组织逐户验收和核实全镇改厕系统数据的真实性、一致性。及时填报《铜梁区水口镇农村卫生户厕改造建设验收表》(附件4)、《铜梁区水口镇农村卫生户厕改造照片资料》(附件5)向区农业农村委申请区级验收。
(三)强化资金监管。农村卫生户厕改造建设资金属于财政专项资金,有改厕任务的村要专款专用,及时公开、公示,并自觉接受审计、纪检监察、群众等各方面的监督,防止在农村卫生户厕改造建设工作中出现违规违纪行为。严禁利用职权或职务之便虚报、假报、错报资料套取专项资金,谋取不正当利益,若发现此类情况将严格按照国家有关规定追究相应责任,涉嫌犯罪的,移送司法机关处理。
(四)健全建管机制。一是建立民主议事。通过民主议事等方式,让村民参与改厕全过程。未经村民会议或村民代表会议同意,不得推进改厕工作。未经农户同意,不得强行改厕。二是坚持建管并重。充分发挥农民主体和村级组织作用,鼓励采取政府购买服务等方式,建立政府引导、群众主角与市场运作相结合的后续管护机制。采取多种形式加强后续管理服务,统筹考虑建成户厕的运行维护和粪污资源化利用问题,多渠道解决运维资金,创新服务方式,加强技术和服务队伍建设,确保有人管、有钱维护。三是畅通管护渠道。验收完成后,各村组织张贴由农业农村委统一制作的卫生厕所监测标识,农户可以通过扫描二维码实时提交管护需求,让农民群众用得满意、用得放心。镇设立户厕改造工作公开电话:(023)45433561,接受群众和社会的监督和咨询。
附件:1.水口镇2023年农村户厕改造计划表
2.铜梁区三格式户厕建设标准
3.铜梁区水口镇农村卫生户厕改造个案台账
4.铜梁区农村卫生户厕改造建设验收表
5.铜梁区水口镇农村卫生户厕改造照片资料
附件1
水口镇2023年农村户厕改造计划表
|
序号 |
村别 |
2023年卫生户厕改造实施计划数(户) |
备注 |
|
合计 |
60 |
原则上户厕改造总户数不变,本村内部可进行调整 | |
|
1 |
大滩村 |
15 |
|
|
2 |
天寨村 |
19 |
|
|
3 |
汪祠村 |
19 |
|
|
4 |
树荫村 |
7 |
|
附件2
铜梁区三格式户厕建设标准
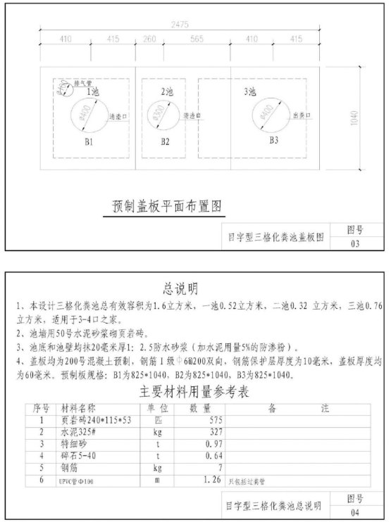
根据《农村三格式户厕建设技术规范》(GB/T 38836-2020),农村三格式户厕由厕屋、蹲(坐)便器、进粪管、三格化粪池等部分组成。利用三格化粪池对厕所粪污无害化处理的农村户用厕所。结合我区实际,拟定以下建设标准。
一、厕屋建设标准
(一)三格式户厕的厕屋要求入户进院,厕屋整体结构完整,安全、可靠,可采有砖石、混凝土等结构。厕屋有墙、有顶、有门、内有照明设施、冲洗设施和标准便器,厕屋室内面积≥1.2m2,高度适宜(独立式厕屋净高不应小于2.0m),地面经硬化处理。
(二)危房改造、宅基地审批以及其他涉及新(改)建农户住宅时,农村户厕改建应当与住房建造同步规划、同步实施、同步验收。
(三)便器为陶瓷与其他坚固、宜清洁材料制作的蹲便器,条件许可的安装坐便器。坐便器或蹲便器应合理选用,冲水量和水压应满足冲便要求,宜采用微水冲等节水型便器。陶瓷类卫生器具的材质要求应符合GB/T6952的规定,非陶瓷类卫生器具的材质要求应符合JC/T2116的规定。
二、三格化粪池建设标准
(一)选址
化粪池选址应当避开水源及其他水体,避免造成污染。所选位置应确保安全,埋入地下,禁止粪液直接排入水体及公路两边的排水沟,且靠近厕屋。
(二)砖砌三格式化粪池施工要求
1.基坑开挖,坑底应整平夯实并铺设混凝土和或砂石垫层,垫层混凝土强度等级不应低于C10,厚度不应小于10cm ,砂石垫层厚度不应小于15cm。
2.砖砌三格式化粪池池壁应采用强度等级不小于MU10级的标准砖或等强度的代用砖,应采用不低于M10的水泥浆砌筑,池壁内外表面应抹防水砂浆,厚度不应小于2cm。
3.基坑回填。宜采用原土在三格化粪池四周对称分层密实回填,回填土应剔除尖角砖、石块及其化硬物,不应带水回填。
(三)化粪池容积及管道安装
1.化粪池的有效容积应保证粪便的贮存时间不少于标准的要求,第一池20天,第二池10天,第三池30天。总容积不得小于1.5m3。化粪池深度:有效深度不少于1.1米,建设深度要达到1.2米(化粪池缘距池底的深度)。结合使用人数,建设容积设置需增加。一般3人之家,不小于1.5m3,5人以上按照每人不少于0.5m3计算。
2.进粪管安装:进粪管应内壁光滑,内径不小于10cm,应避免拐弯,减少管道长度,进粪管铺设坡度不宜小于20%,水平距离不宜超过3m,应和便器排便孔密封紧固连接,下端通向第一池。水平距离大于3m时,应适当增加铺设坡度。
3.过粪管安装:过粪管应安装在两堵隔墙上,选用内径10厘米PVC管设置倒L型过粪管。其中第一池到第二池过粪管下端(即粪液进口)位置在第一池的下1/3处,上端在第二池距池顶10cm;第二池到第三池过粪管下端(即粪液进口)位置在第二池的中部1/2处,上端在第三池距池顶 10cm。两个过粪管应交错设置。
4.排气管安装:排气管应安装在第一池,内径不小于100mm,靠墙固定安装,外观应和住房建筑协调,应高于户厕屋檐或围墙墙头500mm,当设置在其他隐蔽部位时,应高出地面不小于2m,排气管顶部应加装伞状防雨帽或T形三通。
5.防渗漏要求:三格贮粪池内侧必须防渗处理,建成后应经防渗检验。在基坑回填前,应进行整池、格池间密封性能抽样检查。格池密封性测试:向第二池注水至过粪管溢流口下沿,24小时后观察第一池、第三池,无串水现象为合格。整池密封性测试:加满水观察24小时,其水位的减少,以不超过1cm为合格。
6.盖板安装:三格化粪池要用水泥捣制的盖板密封处理,盖板应留有一、二、三池清渣、清粪口并加盖板密封。清渣口和清粪口直径不应小于20cm,第三池清粪口可根据实际适当扩大,大于25cm时,口盖应有锁闭或防坠装置。
7.防雨处理:化粪池的上沿要高出地面10cm,防止雨水流入。
8.化粪池要设置安全警示标识并编号管理。
三、三格化粪池厕所使用操作要求
启用:正式启用前在第一格池内注入100~200L水,水位应高出过粪管下端口。
清掏:半年至1年要清渣,粪渣与粪皮应经高温堆肥或化学法进行无害化处理。
安全:化粪池盖板要预留出粪口并盖严。
分流:生活洗浴水不得接入化粪池。

四、三格式化粪池建造图纸
图 倒L型

附件3
铜梁区水口镇农村卫生户厕改造个案台账
填报单位: 主要领导: 分管领导: 填报人员:
|
序号 |
单位名称 |
姓名 |
身份证号 |
联系方式 |
改厕完成情况 |
改造类型(新建/升级改造) |
卫生户厕类型(三格式/水冲式/其他) |
上报日期 |
是否已享受国家补助 |
已享受国家补助金额(元) |
本年度应享受国家补助金额(元) | |||
|
验收日期 (年月日) |
验收人 | |||||||||||||
|
镇(街道) |
村/居 |
社/门牌号 | ||||||||||||
|
合计 |
|
|
|
|
|
|
|
|
|
|
|
|
|
|
|
|
|
|
|
|
|
|
|
|
|
|
|
|
|
|
|
|
|
|
|
|
|
|
|
|
|
|
|
|
|
|
|
|
|
|
|
|
|
|
|
|
|
|
|
|
|
|
|
|
|
|
|
|
|
|
|
|
|
|
|
|
|
|
备注:1.当年度新建卫生户厕,统计为“新建”。以前年度已享受农村改厕奖补政策实施今年卫生厕所改造的,统计为“升级改造”。“上报日期”指录入台账系统的日期。
2.本表于每月23日前报镇乡村生态治理中心。
附件4
铜梁区农村卫生户厕改造建设验收表
镇(街): 村(社):
|
户主姓名 |
|
身份证号 |
| |||
|
建前户厕类型 |
旱厕□卫生厕所□( 无害化卫生厕所:填厕所类型) | |||||
|
修建卫生户厕类型 |
三格式□完整下水道水冲式□普通卫生厕所□ 其它□(备注:) | |||||
|
有无便器 |
有□ 无□ |
便器有无沉水管 |
有□ 无□ |
厕屋墙面 是否合规 |
是□ 否□ | |
|
厕屋地面有无硬化 |
有□ 无□ |
有无门顶 |
有□ 无□ |
有无窗 |
有□ 无□ | |
|
化(储)粪池是否合格 |
是□ 否□ |
化粪池 容积(m3) |
一池:二池:三池: | |||
|
建成时间 |
|
镇街验收时间 |
| |||
|
户主确认签字及是否满意 |
户主(或家庭成员)签字: 年月日 | |||||
|
村级验收意见 |
是□ 否□ 验收人签字(单位盖章): 年月日 | |||||
|
镇街验收意见 |
否□ 验收人签字(单位盖章): 年月日 | |||||
|
三方公司 验收意见 |
否□ 验收人签字(单位盖章): 年月日 | |||||
填表日期: 填表人:
备注:此表一式3份,村、镇各保存一份,区农业农村委保存1份。
附件5
铜梁区水口镇农村卫生户厕改造照片资料
|
厕屋相片 (建前) |
厕屋相片 (建中) |
厕屋相片 (建后) |
|
化粪池相片 (建前) |
化粪池相片 (建中) |
化粪池相片 (建后) |
备注:此表一式4份,村、镇各保存一份,区农业农村委保存2份。
![]()
![]()



