铜梁区蒲吕街道
龙山小区*栋*单元增设电梯公示
铜梁区蒲吕街道龙山小区相关业主、相关利害关系人:
近日,铜梁区蒲吕街道龙山小区*栋*单元共计12户业主,其中李*等8户业主向重庆市铜梁区人民政府蒲吕街道办事处提出申请,增设电梯。现将铜梁区蒲吕街道龙山小区*栋*单元增设电梯项目的相关情况公示如下:
该增设电梯项目名称为铜梁区蒲吕街道龙山小区*栋*单元增设电梯项目,建设单位为重庆奥华斯电梯工程有限公司,设计单位为重庆大时代建筑设计有限公司,建设地点位于铜梁区蒲吕街道龙山小区*栋*单元(方案详见增设电梯示意图),属重庆市铜梁区蒲吕街道葫芦社区。
重庆市铜梁区人民政府蒲吕街道办事处根据《重庆市既有住宅增设电梯管理办法》规定,现将书面申请、增设电梯示意图、经核实并盖章后的同意增设电梯的业主名单及书面同意意见等申请内容向相关业主和利害关系人进行公示,公开征询意见。公示期为7日,2025年3月20日—2025年3月26日。同时在铜梁区政府网同步进行公示,公示链接:https://www.cqstl.gov.cn/。
(一)公示期间,因增设电梯受到影响的利害关系人有反对意见的,业主可自行协商,解决增设电梯过程中的利益平衡、权益受损等事宜。业主协商不成的,可在2025年3月31日前(公示期满之日起5个工作日内)向社区居委会提出书面反对意见申请调解及听证申请,并将书面意见、房产证(或购房合同)等证明涉及其利害关系的材料确认签字并邮寄或直接提交至社区居委会,注明身份(单位-名称、社会信用代码及法定代表人身份证明/个人姓名及身份证复印件)、联系电话和邮寄地址。逾期未提出的,视为同意申请事宜或自动放弃权利。
(二)经社区居委会确认调解仍未达成一致意见的,持异议的业主可向属地街道办事处申请搭建协商平台,采用召开协调会等方式进行调解。
(三)社区居委会和街道办事处出具相关调解情况记录。调解成功的,社区居委会、街道办事处应对申请人递交的增设电梯项目申请资料予以盖章确认。
(四)在调解过程中,可由社区居委会和街道办事处引导申请加装电梯的业主对因增设电梯而受到影响的利害关系人给予一定的补偿。
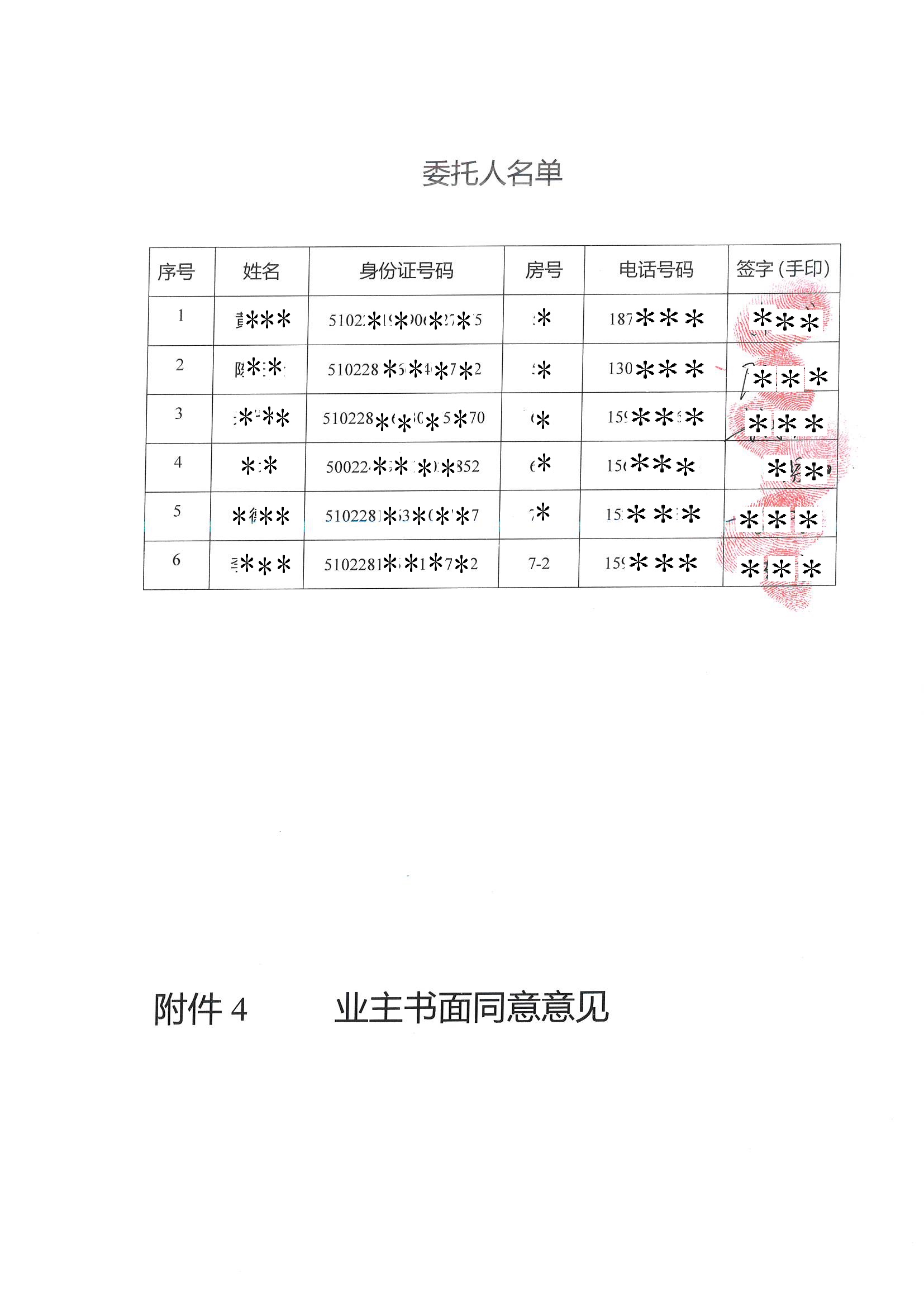
附件:1.书面申请;2.增设电梯示意图;3.授权委托书;4.业主书面同意意见。5.费用分担协议。
铜梁区蒲吕街道办事处主管联系人:罗开勇; 联系电话:023-45489599;邮编:402566 地址:蒲吕街道龙山大道蒲吕街道办事处 ;
协调矛盾纠纷单位:重庆市铜梁区蒲吕街道葫芦社区居委会;联系电话:023-45486802。
增设电梯示意图:


重庆市铜梁区人民政府蒲吕街道办事处 重庆市铜梁区蒲吕街道葫芦社区居委会
2025年3月20日








